UPOZORNĚNÍ : Uzavírka přístupových komunikací k prodejně Beroun, provoz NEPŘERUŠEN. Varianta 1.- Průjezdná - zřízen nový vjezd do areálu firmy ART elektro, Z ulice Plzeňská odbočit do ulice Tyršova (okolo Policie) kde odbočíte doleva na parkoviště a na konci doprava a použijete nový vjezd. Varianta 2. = Neprůjezdná - pro příjezd ulice "Na Dražkách" (Autoservis Hřebíček) a dále pokračujte ulicí U Archivu (vjíždíte do zákazu vjezdu, probíhají stavební práce). Objednávky e-shopu vyřizujeme bez omezení. Děkujeme tým ART elektro odkaz mapka příjezdu
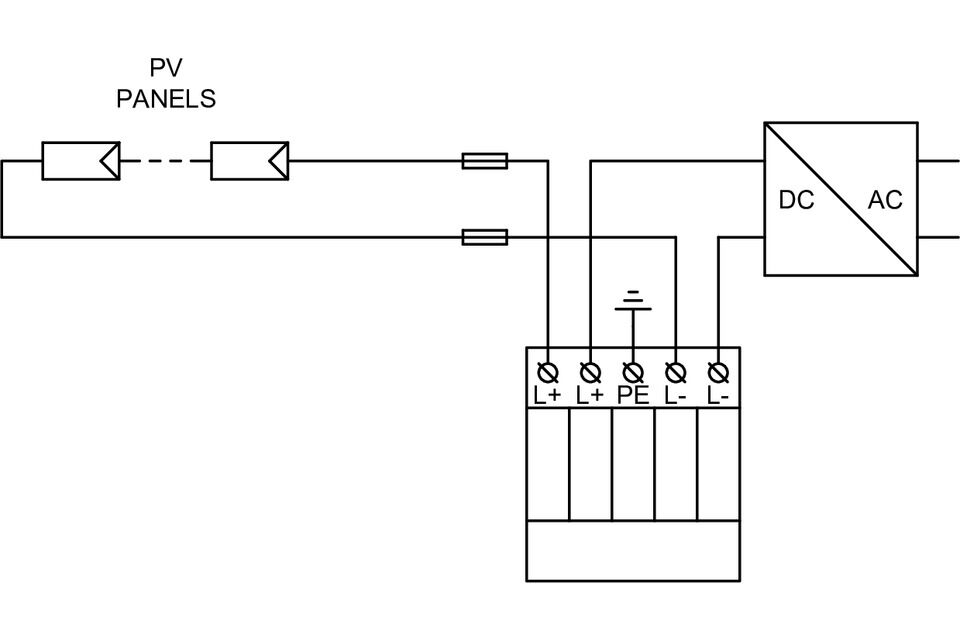
Hakel *HLSA12,5 PV 1000 ochrana před přepětím SPD PV typ 1 + 2
11. 12. 2025
OSOBNÍ ODBĚR
možnost osobního vyzvednutí v obchodním areálu ART elektro, U Archivu 1925, 26601 Beroun otevřeno...
12. 12. 2025
ZÁSILKOVNA - výdejní místa, Z-Boxy
vhodné pro malé zásilky do 4,5kg , maximální délka kusu 1m, součet všech stran 150cm. Z-Boxy...
Produktové parametry
| Kód produktu | 777212928 |
| Kód dodavatele | 10473 |
| Ean produktu | 8590681172315 |
| Záruční doba | 2 roky záruka |
