UPOZORNĚNÍ : Uzavírka přístupových komunikací k prodejně Beroun, provoz NEPŘERUŠEN. Varianta 1.- Průjezdná - zřízen nový vjezd do areálu firmy ART elektro, Z ulice Plzeňská odbočit do ulice Tyršova (okolo Policie) kde odbočíte doleva na parkoviště a na konci doprava a použijete nový vjezd. Varianta 2. = Neprůjezdná - pro příjezd ulice "Na Dražkách" (Autoservis Hřebíček) a dále pokračujte ulicí U Archivu (vjíždíte do zákazu vjezdu, probíhají stavební práce). Objednávky e-shopu vyřizujeme bez omezení. Děkujeme tým ART elektro odkaz mapka příjezdu
Hakel *HLSA7-720/3+1 S IT ochrana před přepětím SPD typ 1+2
K dodání do 7 dnů
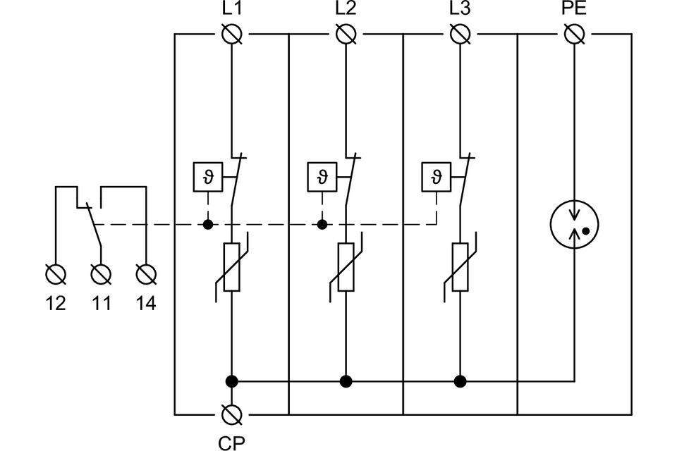
Svodiče impulzních proudů a rázového přepětí typu T1+T2 zajišťují vyrovnávání potenciálů a eliminují účinky bleskového proudu a omezují spínací, indukované a zbytkové přepětí v jednofázových a třífázových IT sítích. Výrobky jsou složeny z varistorů s velkou svodovou schopností v kombinaci s bleskojistkou zajišťující nulový průsakový proud ve vodiči PE. Instalují se na rozhraní zón LPZ 0 – LPZ 1 a vyšší, co nejblíže vstupu kabelového vedení do objektu – hlavních rozvaděčů. Vhodné pro objekty s uvažovanou hladinou ochrany LPL III a LPL IV. Označení S specifikuje provedení s dálkovou signalizací. Instaluje se dle norem: ČSN EN 62305 ed. 2, ČSN 33 2000-5-53 ed. 3, ČSN CLC/TS 61643-12.
Produktové parametry
| Kód produktu | 777212188 |
| Kód dodavatele | 27870 |
| Ean produktu | 8590681169407 |
| Záruční doba | 2 roky záruka |
