UPOZORNĚNÍ : Uzavírka přístupových komunikací k prodejně Beroun, provoz NEPŘERUŠEN. Varianta 1.- Průjezdná - zřízen nový vjezd do areálu firmy ART elektro, Z ulice Plzeňská odbočit do ulice Tyršova (okolo Policie) kde odbočíte doleva na parkoviště a na konci doprava a použijete nový vjezd. Varianta 2. = Neprůjezdná - pro příjezd ulice "Na Dražkách" (Autoservis Hřebíček) a dále pokračujte ulicí U Archivu (vjíždíte do zákazu vjezdu, probíhají stavební práce). Objednávky e-shopu vyřizujeme bez omezení. Děkujeme tým ART elektro odkaz mapka příjezdu
Hakel *HSA-720/4+0 S ochrana před přepětím SPD typ 2+3
K dodání do 7 dnů
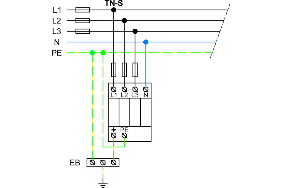
Svodiče rázového přepětí typu T2+T3 zajišťují vyrovnávání potenciálů a omezují spínací, indukované a zbytkové přepětí v sítích nn. Výrobky jsou složeny z varistorů s velkou svodovou schopností. V provedení 1+1 a 3+1 jsou navíc v kombinaci s bleskojistkou, která zajišťuje nulový průsakový proud vodičem PE. Instalují se na rozhraní zón LPZ 1 – LPZ 3 do podružných rozvaděčů a ovládacích skříní. Pokud výrobek obsahuj dvě svorky PE (resp. PEN), nesmí být použity jako můstek PE (PEN). Označení S specifikuje provedení s dálkovou signalizací. Instaluje se dle norem: ČSN EN 62305 ed. 2, ČSN 33 2000-5-53 ed. 3, ČSN CLC/TS 61643-12.
Produktové parametry
| Kód produktu | 777212589 |
| Kód dodavatele | 24612 |
| Ean produktu | 8590681115831 |
| Záruční doba | 2 roky záruka |
