UPOZORNĚNÍ : Uzavírka přístupových komunikací k prodejně Beroun, provoz NEPŘERUŠEN. Varianta 1.- Průjezdná - zřízen nový vjezd do areálu firmy ART elektro, Z ulice Plzeňská odbočit do ulice Tyršova (okolo Policie) kde odbočíte doleva na parkoviště a na konci doprava a použijete nový vjezd. Varianta 2. = Neprůjezdná - pro příjezd ulice "Na Dražkách" (Autoservis Hřebíček) a dále pokračujte ulicí U Archivu (vjíždíte do zákazu vjezdu, probíhají stavební práce). Objednávky e-shopu vyřizujeme bez omezení. Děkujeme tým ART elektro odkaz mapka příjezdu
Hakel *HSAF16/200VDC ochrana před přepětím SPD typ 3 s VF filtrem DC
K dodání do 7 dnů
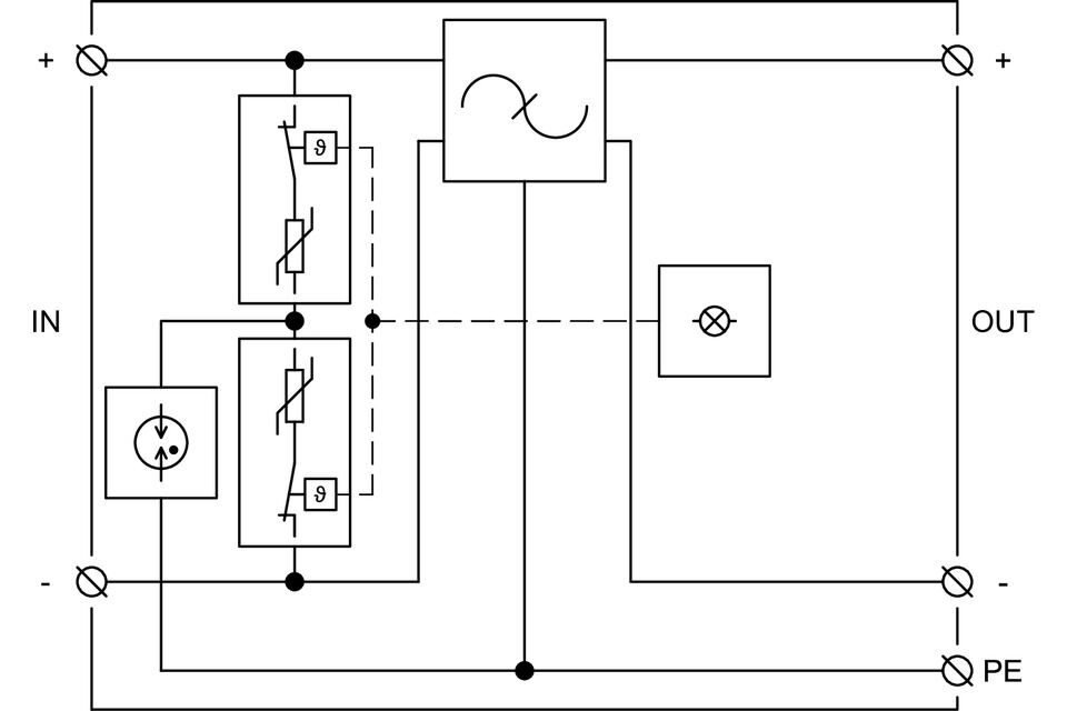
Dvoubranové svodiče přepětí typu T3 s vysokofrekvenčním filtrem pro sériové zapojení. Určeny pro ochranu elektronických zařízení proti účinkům spínacích, indukovaných a zbytkových přepětí v stejnosměrných sítích. Obsahují vylepšenou tepelnou pojistku, která při přehřátí varistoru zaručí včasné odpojení HSAF*VDC S od napájecí sítě a tím zabrání poškození HSAF*VDC S. Instalují se na rozhraní zón LPZ 2 – LPZ 3, co nejblíže k chráněnému zařízení (max. 5 m). Před HSAF*VDC S musí být instalován svodič bleskových proudů a přepětí T1 a T2 od společnosti HAKEL. Označení S specifikuje provedení s dálkovou signalizací. Instaluje se dle norem: ČSN EN 62305 ed. 2, ČSN 33 2000-5-53 ed. 3, ČSN CLC/TS 61643-12.
Produktové parametry
| Kód produktu | 777212314 |
| Kód dodavatele | 30333 |
| Ean produktu | 8590681161319 |
| Záruční doba | 2 roky záruka |
