UPOZORNĚNÍ : Uzavírka přístupových komunikací k prodejně Beroun, provoz NEPŘERUŠEN. Varianta 1.- Průjezdná - zřízen nový vjezd do areálu firmy ART elektro, Z ulice Plzeňská odbočit do ulice Tyršova (okolo Policie) kde odbočíte doleva na parkoviště a na konci doprava a použijete nový vjezd. Varianta 2. = Neprůjezdná - pro příjezd ulice "Na Dražkách" (Autoservis Hřebíček) a dále pokračujte ulicí U Archivu (vjíždíte do zákazu vjezdu, probíhají stavební práce). Objednávky e-shopu vyřizujeme bez omezení. Děkujeme tým ART elektro odkaz mapka příjezdu
Hakel *PIIIM PV 200 DS/2 Vseries ochrana před přepětím SPD PV typ 2
K dodání do 7 dnů
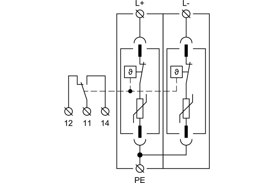
Svodiče rázového přepětí typu T2 pro fotovoltaické (PV) systémy. Výrobky jsou koncipované v zapojení typu Y, které je odolné vůči zemnímu spojení pracovních vodičů. Jednotlivé varistorové sekce zapojené mezi svorky L+, L- a PE jsou opatřeny interními odpojovači, které jsou aktivovány při poruše (přehřátí) varistorů. Speciální konstrukce vnitřního odpojovače dovoluje instalaci bez předřazeného předjištění. Instalují se v PV aplikacích bez vnějšího LPS nebo s vnějším LPS, kde je dodržena
dostatečná vzdálenost „s“. Jsou vhodné pro všechny hladiny LPL. Zajišťují vyrovnávání potenciálů plusových a mínusových sběrnic PV systémů a likvidaci transientních přepětí vznikajících při atmosférických výbojích nebo spínacích procesech. Označení M specifikuje konstrukční provedení s výměnným modulem. Označení DS specifikuje provedení s dálkovou signalizací. Instaluje se dle norem: ČSN EN 62305 ed. 2, ČSN CLC/TS 50539–12, ČSN 33 2000-7-712 ed. 2.
Produktové parametry
| Kód produktu | 777212612 |
| Kód dodavatele | 27064 |
| Ean produktu | 8590681186015 |
| Záruční doba | 2 roky záruka |
